X86_64 架构下的中断虚拟化
X86_64 中断处理
中断(interrupt)是硬件或软件向 CPU 发出的一种异步信号。CPU 在收到中断后,会暂停当前运行的程序,保存上下文,转而执行中断处理程序。执行完毕后,继续运行原先的程序。中断分为硬件中断与软件中断,硬件中断由外部设备产生,软件中断则来自软件程序中的特定的指令。
x86 架构使用中断描述符表(interrupt descriptor table,IDT)记录所有中断处理程序的位置。每个中断处理程序在 IDT 中具有唯一索引,被称为向量号(vector)。IDT 支持的 vector 范围为 0-255,其中 0-31 号由架构预留,用于架构定义的异常和中断;32-255 号由用户自行使用,它们通常被分配给外部设备。
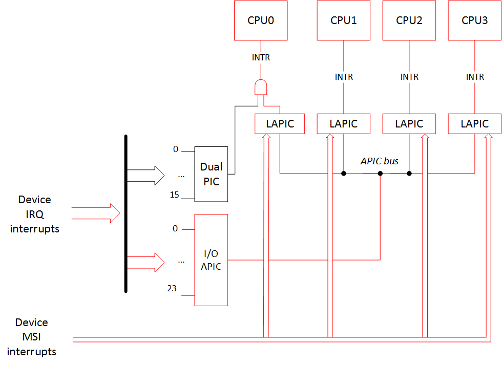
在中断机制发展的早期,外部设备需要与 CPU 的 INTR 引脚连通才能发送中断请求(interrupt request,IRQ)。然而 INTR 引脚在数量上受到限制,无法直接与大量设备相连。此时就需要中断控制器(interrupt controller)作为代理,在设备与 CPU 之间进行中断的传递。设备所使用的 IRQ 号与中断处理程序所使用的 vector 并不等价,因此中断控制器的作用之一就是将中断信号从 IRQ 号翻译为 vector。
x86 最早的中断控制器名为可编程中断控制器(programmable interrupt controller,PIC),单个 PIC 可支持 8 个 IRQ,通过级联的方式能扩展 IRQ 的数量。然而,PIC 只能往一个 CPU 发送中断,不能满足如今多核系统的需求。后来,高级可编程中断控制器(advanced programmable interrupt controller,APIC)出现并逐渐取代 PIC。APIC 由 Local APIC(LAPIC)和 I/O APIC 两部分组成。每个 CPU 有属于自己的 LAPIC,可以通过 APIC ID 对其进行区分。LAPIC 彼此之间通过 APIC 总线相连,可以互相发送核间中断(inter-process interrupt,IPI)。I/O APIC 负责接收设备的 IRQ,使用可配置的中断重定向表(redirection table)将 IRQ 翻译成 vector 后,沿 APIC 总线向 LAPIC 发送中断信号,最后再由 LAPIC 转发给 CPU。典型的 I/O APIC 支持 23 个 IRQ:IRQ 0-15 用于兼容 PIC 时代的 ISA 设备,IRQ 16-23 由 PCI 设备使用中断路由表进行共享。
PCIe 总线的出现引入了一种全新的中断传递机制:消息信号中断(message signaled interrupts,MSI)及其扩展版本 MSI-X。与传统中断方式不同,MSI/MSI-X 通过向 LAPIC 的 MMIO 区域指定位置写入特定数据即可触发中断,无需额外的中断引脚 INTR。这种机制允许通过 PCI 配置空间设置中断对应的 vector 和目标 LAPIC 的 APIC ID,实现更灵活的中断管理。在 Linux 的默认配置中,系统优先采用 MSI 或 MSI-X;对于不支持该机制的旧设备,则仍然依赖 I/O APIC 进行中断传递。

中断虚拟化
中断是一种由外部设备发起,用于异步通知 CPU 的事件机制。在非虚拟化环境中,当设备触发中断,CPU 会捕获该中断,并直接跳转至操作系统内核中预设的中断处理程序。而在虚拟化环境下,中断被划分为两种类型:一类是由物理设备产生的物理中断(pIRQ),另一类是 hypervisor 转发给 guest OS 的虚拟中断(vIRQ)。为了避免 guest OS 与 hypervisor 在 vector 使用上的冲突,pIRQ 通常由 hypervisor 统一接收和管理,而不会直接传递给 guest OS。hypervisor 在接收到 pIRQ 后,会利用硬件提供的中断虚拟化机制,将其转换为相应的 vIRQ 并传递至 guest OS。
Intel VT-x 提供了两种向 guest OS 传递中断的方法。第一种方法基于中断注入(interrupt injection)机制,虽然实现较为简单,但每次 pIRQ 到达时都需要触发一次 VM exit,由 hypervisor 负责将 pIRQ 转换为 vIRQ 并完成注入,因此在性能上存在一定开销;第二种方法则依赖包括 vAPIC page、VT-d 中断重映射、posted interrupt 在内的多种硬件机制协同配合,通过对硬件进行相应配置,实现 pIRQ 到 vIRQ 的自动转换与注入,几乎无需 hypervisor 干预,因而拥有更高的运行效率。然而,该方法要求宿主机的 CPU 支持相关扩展功能,且实现复杂度较高。
Hvisor 的中断虚拟化实现
在 Hvisor 中,对于中断虚拟化的支持由硬件机制与软件实现协同配合、共同完成。其中硬件机制包括 VT-x 提供的中断注入机制,而软件层面的实现包括虚拟 LAPIC 以及虚拟 I/O APIC 等。
中断注入
Intel VT-x 提供了对注入虚拟中断的支持。为了使用该功能,Hvisor 在配置 VMCS 时需要设置 VM-execution control fields 中 pin-based VM-execution controls
字段的 external-interrupt exiting
位。当物理中断到达 pCPU 时,就会触发名为 external interrupt 的 VM exit。此外,还需在 VM-exit control fields 中设置 VM-exit controls
字段的 acknowledge interrupt on exit
位。使得每次物理中断触发 VM exit 时,相关中断信息会被保存到 VM-exit information fields 的 VM-exit interruption information
字段中。这些信息包括该中断的向量号(vector)、中断类型、错误码等,Hvisor 据此判断应将中断注入至哪个 zone,并将 vector 压入当前 vCPU 的 pending_vectors
队列中。
在每次即将 VM entry 前,Hvisor 都会调用 check_pending_vectors()
对 pending_vectors
队列进行检查。首先判断是否存在待注入的 vector。如果有,检查当前 vCPU 是否处于允许中断注入的状态。具体而言,需要 VMCS guest RFLAGS
字段的中断标志位 IF
为 1,且 interruptibility state
字段为 0,表明 vCPU 已开启中断且并未被其他中断阻塞。如果这些条件满足,就可以将 pending_vectors
队首的 vector 弹出,并写入 VM-entry control fields 的 VM-entry interruption-information field
字段,完成中断注入;反之,若当前无法注入中断,Hvisor 会利用 Intel VT-x 提供的中断窗口退出机制,即对 VMCS primary controls
字段中的 interrupt-window exiting
位进行设置。当 vCPU 返回非根模式后,只要一打开中断,就会立即触发名为 interrupt window 的 VM exit,Hvisor 便能在此时完成中断注入。这一机制能够确保中断在 vCPU 恢复响应能力时能够被及时注入。
虚拟 LAPIC
虽然 Hvisor 采用了 pCPU 与 vCPU 一一对应的设计,理论上可以让 zone 直通使用 LAPIC,但是这种做法在某些情况下会出问题,仍需对 LAPIC 的一部分寄存器进行拦截处理。
Hvisor 和 zone 目前藉由 x2APIC 模式访问 LAPIC 的寄存器,即以读写 MSR 寄存器的方式。而拦截特定 MSR 寄存器访问操作需通过 MSR bitmap 实现。MSR bitmap 占据 4KB 的内存,每一位代表一个 MSR 寄存器。在配置 VMCS 的 VM-execution control fields 时,设置 primary controls
的 use MSR bitmaps
位,然后将 MSR-bitmap address
字段设置为 MSR bitmap 的 hPA 即可。以下是主要的需要拦截的 LAPIC 寄存器:
End-of-Interrupt register
:当 zone 执行完一个中断的处理程序后,会往该寄存器中写一个0
,以此告知 LAPIC 中断已经处理完成。往真实的 LAPIC 中写EOI
寄存器的任务已经由 Hvisor 负责,如果 zone 也往其中写就会产生重复,可能会带来副作用,因此需要拦截。Interrupt Command register
:zone 通过该寄存器向其他 vCPU 发送 IPI。在大多数情况下,直接用真实的ICR
发送 IPI 并不会产生问题。但在 zone 的多核启动流程中,作为 BSP 的 vCPU(以下简称 vBSP)会向同一 zone 的其余 vCPU 发送INIT
和Start-up
类型的 IPI,而这两类信号只对 pCPU 的启动有效。若要实现 vCPU 的启动,还需 Hvisor 在软件层面的介入:Hvisor 首先对 vBSP 发送启动信号的操作进行拦截,随后向目标 vCPU 发送 IPI 中断,目标 vCPU 收到中断后进入对应的 IPI 处理程序,并最终进入 zone 中。
虚拟 I/O APIC
在 Hvisor 的实现中,zone0 需要通过 I/O APIC 接收来自 UART 串口设备的中断。而对于 zoneU 而言,由于 Hvisor 所使用的 virtio-mmio 并非 PCI 设备,无法直接向 LAPIC 发送 MSI 中断,同样也依赖 I/O APIC 进行中断传递。因此,Hvisor 需为每个 zone 分别实现独立的虚拟 I/O APIC,以支持各自的中断管理需求。
实现虚拟 I/O APIC 的主要环节在于为每个 zone 维护独立的重定向表 rt
,记录 IRQ 到 vector 的映射关系。zoneU 的 I/O APIC 仅用于记录 virtio 设备所使用的 vector,以便 Hvisor 进行中断注入。只有 zone0 的 I/O APIC 与真实外部设备相连,因此可以直接将 zone0 所使用的 rt
作为物理 I/O APIC 的中断重定向表。